+86 186 3170 8948
Pressure Relief Valve
Technical Parameter
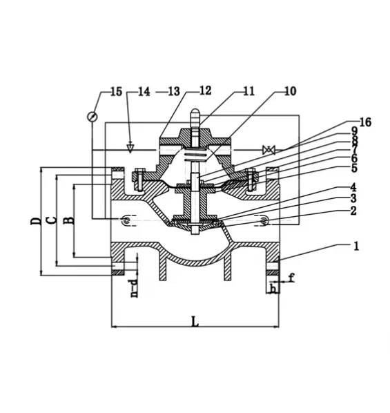
Part & Materials
| No | Part | Material |
| 1 | Body | Ductile Iron GGG50 |
| 2 | Seat | Brass |
| 3 | Platen | CS |
| 4 | Sealing | EPDM |
| 5 | Disc | Ductile Iron GGG50 |
| 6 | DIamphragm | EPDM |
| 7 | Platen | CS |
| 8 | Nut | Stainless Steel |
| 9 | Stem | SS410 |
| 10 | Spring | Stainless Steel |
| 11 | Pressure Relief Pilot Valve | Brass |
| 12 | Bonnet | Ductile Iron GGG50 |
| 13 | Bolts | A2-70 |
| 14 | Needle Valve | Brass |
| 15 | Pressure Gauge | - |
| 16 | Globe Valve | Brass |
Dimensions(mm)
| DN | L | D | C | B | n-d | b | f | |||||
| PN10 | PN16 | PN10 | PN16 | PN10 | PN16 | PN10 | PN16 | PN10 | PN16 | |||
| DN50 | 240 | 160 | 125 | 99 | 4-19 | 19 | 3 | |||||
| DN65 | 240 | 180 | 145 | 119 | 4-19 | 19 | 3 | |||||
| DN80 | 292 | 195 | 160 | 133 | 8-19 | 19 | 3 | |||||
| DN100 | 325 | 215 | 180 | 154 | 8-19 | 19 | 3 | |||||
| DN125 | 340 | 245 | 210 | 184 | 8-19 | 19 | 3 | |||||
| DN150 | 400 | 280 | 240 | 210 | 8-23 | 19 | 3 | |||||
| DN200 | 435 | 335 | 295 | 265 | 8-23 | 12-23 | 20 | 3 | ||||
| DN250 | 510 | 405 | 350 | 355 | 319 | 12-23 | 12-28 | 22 | 3 | |||
| DN300 | 600 | 460 | 400 | 410 | 370 | 12-23 | 12-28 | 24.5 | 4 | |||
| DN350 | 675 | 520 | 460 | 470 | 429 | 16-23 | 16-28 | 26.5 | 4 | |||
| DN400 | 720 | 575 | 515 | 525 | 480 | 16-28 | 16-31 | 28 | 4 | |||
| DN450 | 720 | 635 | 515 | 525 | 480 | 16-28 | 16-31 | 28 | 4 | |||
| DN500 | 790 | 710 | 620 | 650 | 582 | 609 | 20-28 | 20-34 | 31.5 | 4 | ||
| DN600 | 970 | 840 | 725 | 770 | 682 | 720 | 20-31 | 20-37 | 36 | 5 | ||
| DN700 | 1120 | 910 | 840 | 794 | 24-31 | 24-37 | 39.5 | 5 | ||||
| DN800 | 1200 | 1025 | 950 | 901 | 24-34 | 24-40 | 35 | 43 | 5 | |||
Technical Data
| No | Description | Specification |
| 1 | Nominal Dia | DN50-DN800 |
| 2 | Nominal Pressure | PN10&PN16 |
| 3 | Flange Standard Conformity | EN1092-2 |
| 4 | Expoxy Coating | Epoxy powder coating with minimum thickness of 250 microns inside and outside. |
| 5 | Working Temperature(Max) | 80℃ |
Get in Touch with Us
If you are interested in our valves, please leave your contact information
Related Products
Why Choose Us
Quality Assurance
Our valves meet product certifications from different countries (ASME, DIN, SNI, etc.).
Production Scale
We have well-established production and quality control processes to ensure scale and meet customer delivery deadlines
Raw Material Casting Scale
We have our own raw material factory with casting inventory to guarantee production output
Botou Yaxing Fluid Equipment Co., Ltd. specializes in providing design, development, and manufacturing services for the water valve industry. We produce high-quality valve products.
+86 186 3170 8948
No.4 Road Botou Industrial Zone, Cangzhou City Hebei Province, China
Get Free Sample
Privacy Policy